事業内容

環境事業

部材販売

太陽光発電販売商社としてお客様のニーズにお応えするため、
太陽光発電モジュール、パワーコンディショナーから架台や高圧キュービクルに至るまで多種多様な製品を取り扱っております。
経験豊富なスタッフが良質な製品を最適な価格でご提供致します。

  • 太陽光モジュール(三菱電機、パナソニック、京セラ、シャープ、東芝、ソーラーフロンティア、JINKO、トリナ、カナディアンソーラー、ハンファQセルズジャパン、インリーグリーンエナジー、サンテック、JAソーラー)
  • パワーコンディショナー(オムロン、パナソニック、三菱電機、田淵電機、安川電機、新電元工業、TMEIC、SMA、ハーウェイ、ダイヘン、サングロー、デルタ、ソーラーエッジ)
  • 高圧受変電設備〈QB〉・集電箱(日東工業、河村電器産業、関西電機工業)
  • 杭(スクリュー杭、H鋼杭)
  • 架台(アルミ、ZAM、屋根架台、折半、スレート、瓦)
  • フェンス・防草シート(メッシュ〈白、黒、茶〉、H1000㎜、H1200㎜、H1500㎜、H1800㎜)
  • ケーブル(PVケーブル、CVTケーブル、IVケーブル、Fケーブル 等)

技術開発事業

遊休地の有効活用に関するコンサルティング

再エネ、省エネに関するシステム提案

設計積算

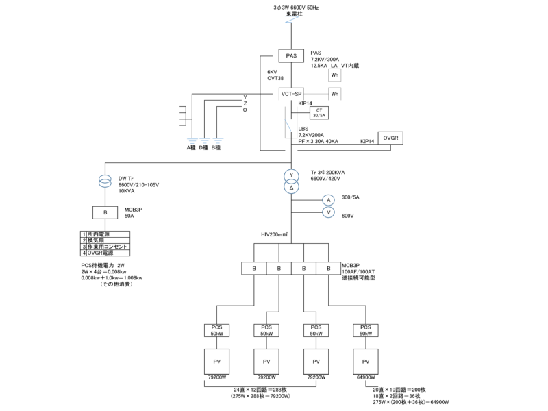
太陽光パネルのストリング配置図・工事用設計図の作成および材料積算、経済産業省への申請業務の書類作成を行っております。


海外事業

無電化地域への電力供給事業

マイクログリッド事業化に向けた試みが、世界各国で動き始めた昨今、
弊社でもアジア・アフリカの各国における系統網が敷設されていない無電化地域で
太陽光発電などの再生可能エネルギーと蓄電池を用いたマイクログリッドを構築して、
安定した電力の供給を行うプロジェクトを支援しております。


地域電力事業

地域電力開発及び構築に関するコンサルティング事業

地産地消型の地域循環電力システムの構築をお手伝いいたします。 地域電力の立上げから運営までサポートいたします。

Translate »